Back
                        
                        
                        
 
Product Parameter
	
		
			| Items | 
			Parameter | 
		
		
			| Steel Sheet Thickness | 
			0.5-0.8mm | 
		
		
			| Forming Steps | 
			23 steps | 
		
		
			| Roller Material | 
			GCr15, coated with chrome | 
		
		
			| Driving Motor | 
			11KW | 
		
		
			| Hydraulic Cutting Power | 
			4KW | 
		
		
			| Material Width | 
			191mm | 
		
		
			| Power Supply | 
			380V/50HZ/3Ph (can be specified by user) | 
		
		
			| Cutting Type | 
			Hydraulic cutting, no slug cutting | 
		
		
			| Tolerance | 
			±1.5mm | 
		
		
			| Material of Cutting Tool | 
			Cr12 | 
		
		
			| Control System | 
			PLC with touch screen | 
		
		
			| Machine Dimension | 
			7960*1050*1350mm | 
		
		
			| Machine Net Weight | 
			6500KG | 
		
	
 
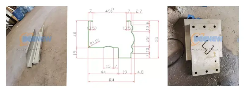
Door Frame Samples & molds

Features and Applications
The metal door frame machine is designed to enhance efficiency in producing both metal door and window frames. Its multi-functionality includes hole punching, hydraulic cutting, and angle cutting—all integrated into a single production line. This streamlined process significantly reduces processing time and operational costs. The door frame machine is versatile enough to also serve as a steel window frame making machine, addressing similar requirements for angle cutting before installation. This adaptability makes it suitable for a variety of applications, no matter for residential or industrial use, ensuring high-quality outcomes for both metal window frame and steel window frame production.
Machine Details
The metal door frame machine features a reasonable design with 20 stands for roll forming, utilizing high-quality steel rollers that are precisely machined and hard chrome coated for durability. The entire production line is controlled via a PLC system, allowing for easy speed adjustments directly from the screen. For longevity and performance, the cutting blades are made from Cr12, a material known for its hardness and effectiveness in the roll forming industry. This metal door frame machine offers seamless operation, meeting the demands of various frame types, including the aluminum window frame making machine and steel door frame making machine, thus providing a comprehensive solution for frame manufacturing.
We have manufactured another alone foot operating machine for cutting angle, it can be operated once engineer installing used.

Application Sample

FAQ
1. What is used to fix a door frame?
(1.) Direct fixed by wooden frame: directly fix the door and window frame to the wall, use screws, nails, other tools to connect and fix the frame to the wall.
(2. )Buckle plate fixing: drill a hole or buckle plate groove on the wall, let the door and window frame enter the groove, and then use screws or nails to fix the door and window frame to the wall buckle plate
(3. )Guide rail fixing: install a guide rail at the bottom of the door and window frame, fix the door and window frame to the wall through the slide, and use screws or nails to connect the guide rail to the wall.
(4. )Anchor bolt fixing: drill a hole in the wall, then insert the anchor bolt into the hole, and fix the door and window frame with screws.
2. Can i load more than one set metal door frame machine in one 40ft container?
Re: Yes, for this metal door frame design machine, we can load 3 sets in one 40ft container, we will calculate the machine dimensions and weight to save shipping freight best.